公司座機:0570-36653255
公司傳真:0570-3851158
電子郵箱:hc@zjhcjc.com
公司地址:衢州市三衢路401號
基地一:衢江區經濟開發區高塘路21號
基地二:衢江區峽川鎮工業功能區
咨詢熱線:400-826-9290
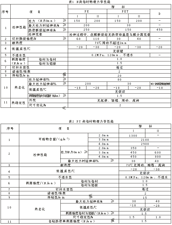
▌產品介紹
HCF-自粘聚合物改性瀝青防水卷材是宏成公司技術中心在引進美國改性瀝青核心技術及系統防水的先進理念基礎上,結合中國的國情及本土的氣候環境特點而研制。產品各項指標均超過JC898-2002、JC840-1999、GB23441-2009以及美國ASTM同類標準技術要求。該防水卷材具有品質優良、性價比高、適用廣泛、施工便捷與使用壽命長等多項特點。現經國內外多項工程應用,大受好評。
▌適用范圍
各類地下工程的防水抗滲,如地鐵、地下室、人防工程、隧道等;工業與民用建筑的屋面及外墻防水。
水池、污水處理廠、游泳池等的抗滲防潮。
木結構、金屬結構基面的防水防潮。
沿海有臺風地區或有海水腐蝕和較大結構變形部位的防水防腐


產品,性能更優 宏成牌HCF系列自粘聚合物改性瀝青卷材是改性瀝青核心技術全面升級產品,可分為有胎體(或無胎體),可達到30年以上使用壽命,性能更穩定可靠、耐候性更強。 全新“自愈合”功能 抗破損能力對施工中因砂子、金屬等硬物戳穿的空洞,HCF自粘聚合物改性瀝青防水卷材獨有的整體蠕動、粘貼性能,可以自行愈合,絕無滲漏。 獨有的無疲勞“蠕變”抗裂、抗變形 施工后,HCF系列自粘聚合物改性瀝青防水卷材與基面粘合的改性瀝青隨基面同步運動,而基面以上的改性瀝青、胎基布、覆面膜等幾乎靜止,從而避免了因基面運動,開裂導致對卷材的破壞。 粘結力,接邊可靠 與混凝土、金屬、塑料、木材等多種建筑材料具有的粘結力,可直接在干燥、平整的基面上進行鋪貼。濕鋪施工,卷材蠕動滲入混凝土毛細孔形成物理卯榫,并與混凝土發生化學反應形成螯合鍵,達到骨肉相連的皮膚式防水效果。 卷材之間搭接后融為一體,搭接處的剪切、剝離強度大于自身強度,接邊更牢固可靠。 在基面涂刷基層處理劑后直接鋪貼卷材,可連續作業,功效快;無需動火、不用粘合膠,施工過程無任何有害氣體釋放、無火災隱患。 |

可采用自粘(干鋪、濕鋪、預鋪反粘、空鋪等多種工藝)
1、基層處理:基面應平整,無凹凸、無塵無油污、裂縫等混凝土缺陷部位用聚合物水泥砂漿抹平。
2、涂基層處理劑:處理劑容器打開后應充分攪拌均勻,用毛刷對基層節點周邊、轉角處進行涂刷,然后用刷涂或噴涂施工,噴刷應均勻一致。干燥后應保持表面清潔,如有污染變臟,應重新涂刷處理,待干燥后及時鋪粘卷材。
3、細部節點處理:對檐溝(天溝)、變形縫、泛水、落水孔、伸出屋面管道等部位、應按《屋面工程技術規范》(GB50345-2004)的要求處理。
4、水平面鋪貼:先在基層上彈出一條基準線。展開卷材同時,揭開隔離紙,沿基準線鋪貼,卷材搭接寬度≥50mm,鋪貼后應及時用橡膠壓輥壓實卷材。
5、垂直面鋪貼:垂直面由底向高鋪貼,邊展開邊揭去隔離紙。搭接寬度同上,鋪貼后用壓輥壓實。
6、收口處理:收頭處要用密封膠密膠,然后用金屬壓條固定,固定螺釘和壓皋頂端縫要密封。
7、施工檢查:檢查全部自粘卷材有無撕破、破損、氣泡、卷邊、開口。如有缺陷,應在缺陷處切開,排放氣泡,之后修補切開處并壓實。
8、防水保護:應根據《屋面工程技術規范》的規定作保護層。



▌專用塑料包裝袋密封包裝,在干燥、通風環境下貯存,防止日曬雨淋。
▌不同類別、規格卷材應分別堆放,不應傾斜或交叉橫壓。
▌PY類單層立放,N類平放,堆放高度不超過五層;貯存溫度不超過45℃。
浙江宏成建材有限公司
總部熱線:400-826-9290
公司座機:0570-3665325
公司傳真:0570-3851158
公司郵箱:hc@zjhcjc.com
公司總部:浙江省衢州市三衢路401號
生產基地一:衢江區經濟開發區高塘路21號
生產基地二:衢江區峽川鎮工業功能區



掃碼關注更多精彩!